数字电子技术为了适应高职高专人才培养的需要,根据国家教育部最新制定的高职高专教育数字电子技术课程。分享了数字电子技术的基础试题,一起来看看吧!
一.选择题:
1.下列各式中哪个是四变量A、B、C、D的最小项?( )
a.A′+B′+C b.AB′C c.ABC′D d.ACD
2.组合逻辑电路的分析是指( )。
a.已知逻辑要求,求解逻辑表达式并画逻辑图的过程 b.已知逻辑要求,列真值表的过程 c.已知逻辑图,求解逻辑功能的过程
3.正逻辑是指( )。
a.高电平用“1”表示,低电平用“0”表示 b.高电平用“0”表示,低电平用“1”表示 c.高电平、低电平均用“1”或“0”表示
4.寄存器、计数器属于( )。
a.组合逻辑电路 b.时序逻辑电路 c.数模转换电路
5.全加器是指( )的二进制加法器。
a.两个同位的二进制数相加 b.两个二进制数相加 c.两个同位的二进制数及来自低位的进位三者相加
6.4选1数据选择器的输出表达式Y=A1′A0′ D0+A1′A0D1+A1A0′ D2+A1A0D3,若用该数据选择器实现Y=A1′,则D0~D3的取值为(a.D0 =D1=1,D2=D3=0 b.D0 =D3=0,D1=D2=1 c.D0 =D1=D2=D3=1
7.JK触发器用做 T′ 触发器时,输入端J、K的正确接法是( )。
a.J=K b.J=K=0 c.J=K=1
8.按触发信号触发方式的不同来分,触发器有( )。
a.SR、JK、D、T、T′ 五类 b.TTL、CMOS两类 c.电平触发、脉冲触发、边沿触发三类
9.经过有限个CLK,可由任意一个无效状态进入有效状态的计数器是( )自启动的计数器。
a.不能 b.能 c.不一定能
10.在二进制算术运算中1 1=( )。
a.1 b.0 c.2
11.3线—8线译码器处于译码状态时,当输入A2A1A0=001时,输出Y7'~Y0'=( )。
a.11101111 b.10111111 c.11111101
12.时序电路输出状态的改变( )。
a.仅与该时刻输入信号的状态有关 b.仅与时序电路的原状态有关 c.与a、b皆有关
13.已知F=(ABC+CD)′,可以确定使F=0的情况是( )。
a.A=0,BC=1 b.B=1,C=1 c.C=1,D=0 d.BC=1,D=1
14.一只四输入端与非门,使其输出为0的输入变量取值组合有( )种。
a.15 b.8 c.7 d.1
15.T触发器,在T=1时,加上时钟脉冲,则触发器( )。
a.保持原态 b.置0 c.置1 d..翻转
16.采用集电极开路的OC门主要解决了( )。
a.TTL门不能相“与”的问题 b.TTL门的输出端不能“线与”的问题 c.TTL门的输出端不能相“或”的问题
17.D/A转换器能够将数字信号转变成( )。
a.正弦信号 b.数字信号 c.模拟信号
18.电路如图所示,这是由555定时器构成的:( )
a. 多谐振荡器 b. 单稳态触c.施密特触发器
19.多谐振荡器可产生( )
a.正弦波 b.矩形脉冲 c.三角波
20.随机存取存储器具有( )功能
a.读/写 b.只读 c.只写
二、填空题:
1.已知Y=A(B C) CD,则Y′。
2.完成数制间的转换:(F A)16=( )2=( )8421BCD。
3.二进制加法计数器从0计数到十进制数25时,需要_____个触发器构成,有_____个无效状态。
4.半导体存储器的种类很多,从制作工艺上可以分为___________和___________两大类。
5.___________和___________是衡量A/D转换器和D/A转换器性能优劣的主要标志。
三、化简下列逻辑函数:
1.F=AC BC′ A′B(公式法)
2.F(A,B,C,D)=∑m(2,3,7,8,11,14)+∑d(0,5,10,15)(卡诺图法)
3.F=ABC ABD C′D′ AB′ C A′CD′ AC′D(卡诺图法)
4.F= AB′CD ABD AC′D(公式法)
四.分析与设计:
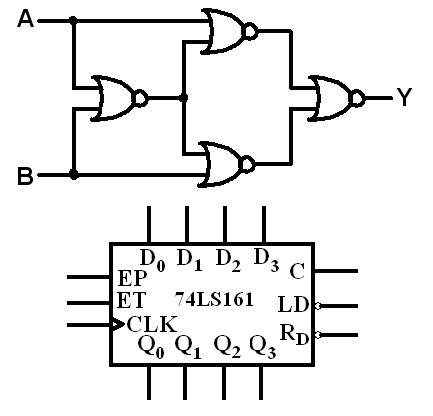
1.写出右图所示电路输出信号Y的逻辑表达式,并说明其功能。
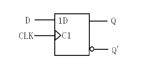
2.在下图所示边沿D触发器中,已知CLK、D的波形,试画出Q、Q′ 的波形,设触发器的初始状态为0。

3.用与非门设计四人表决电路,当四人中有三人或三人以上赞成时表示通过,其余情况时表示否决。
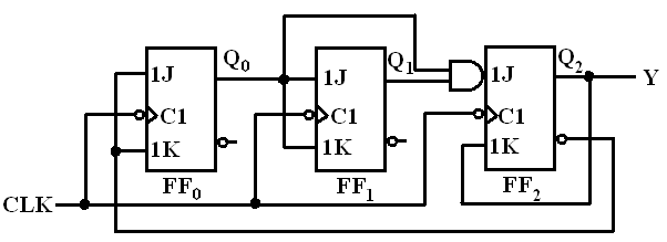
4.分析下图所示电路的逻辑功能。(设初始状态为000)

(1).驱动方程(2).状态方程:(3).输出方程:(4).状态转换表:(5).状态转换图 (6).电路功能:
5.用二进制计数器74LS161及适当门电路构成六进制计数器画出状态转换图及逻辑连线图。(设初始状态为0000)
附:部分答案
一. 选择题: 1. c 2. c 3. a 4. b 5. c 6. a 7. c 8. c 9. b 10. b
11. c 12. b 13. d 14.d 15. d 16. b 17. c 18. b 19. b 20. a
二. 填空题:
1. Y′=(A′ B′C′)(C′ D′)=A′C′ B′C′ A′D′ 2. 11111010 100101000 3. 5 6
4. 双极型 MOS型 5. 转换精度 转换速度
三. 化简:(每题4分,共16分)
四. 分析与设计:
1. 解:
功能: 同或或检偶电路(2分)
2. 解:
3. 解:)
4. :
(6). 电路功能:它是一个同步的五进制的可以自启动的加法计数器。
5:


